錘式破碎機是某石灰石加工車間在破碎系統中采用的破碎設備之一,隨著工作的不斷推進,主動給料輥主軸軸頭出開始出現疲勞斷裂現象,錘頭的磨損也較嚴重,如不及時的對給料輥和錘頭進行更換,將嚴重影響整條生產線的進程。考慮到只是不斷地更換這些部件,不僅耗時耗財,還只能暫時的使問題得到緩解,過一段時間問題又會重現,該車間決定對給料部分及錘頭進行優化改造,從根本上延長它們的壽命。

一、給料部分的改進
該車間根據給料輥驅動裝置的裝配形式和主軸斷裂情況,結合多年的生產管理實踐經驗,現場測量測算后,設計加工了一套簡易的連接裝置,只用了16h,就恢復了破碎機的運行。
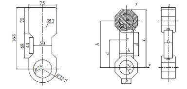
該連接裝置主要由軸頭和Z型鎖緊套兩部分組成(見圖1)。軸頭主要用來替代主軸斷頭部分,用45號鋼調質加工而成,在軸頭大徑壁上均布開三個長80~100mm的槽,以增大其抱緊力。Z型鎖緊套選用的是市售Z2型鎖緊套,用于鎖緊軸頭大徑。因受空間限制,鎖緊套尺寸偏大,安裝不上,因此只保留了鎖緊套的錐角內套和外套,自制兩個螺栓擰緊圓盤。螺栓選用18根8.8級M20×120螺栓,螺栓的擰緊力矩不超過470N·m。

圖1
為確保對中精度良好,安裝前需用氣割將主軸斷頭部位進行簡單處理。將鎖緊套套在軸頭大徑上后,再將軸頭大徑套到主軸斷頭部位。按給定的力矩擰緊螺栓,鎖緊套將軸頭緊緊抱卡在軸的斷頭部位。再用原鎖緊盤將軸頭小徑與減速機中空軸連接在一起固定。
二、錘頭部分的改進
原錘頭采用圖2所示的結構形式,其缺點是打擊面大,很難保證反作用沖擊力通過錘頭的碰撞中心,且只能單端使用,使用壽命低。為此在不改變安裝尺寸和總體尺寸的前提下,對錘頭的形狀做了改進,使其更好地滿足碰撞平衡條件,延長使用壽命。
改進后的錘頭如圖3所示,錘頭兩端錘體為八邊形柱體,中間由錘柄連為一體,工作時其一端的銷孔與轉子體上銷軸配合;另一端(打擊端)錘體上的銷孔內安裝配重塊,并用螺釘緊固。

圖2 圖3
設計此結構的目的:①保證錘頭打擊端有足夠的碰撞沖量,不降低打擊效果;②保護銷孔表面,在以后掉頭使用時可以保證與銷軸的配合質量。這時打擊端的銷孔圓心相當于碰撞中心。當錘頭一端磨損后,可掉頭使用另一端,再將配重塊安裝在打擊端錘體的銷孔內。
三、改進效果
1、通過對給料部分加裝連接裝置,各部位溫度和振動情況良好,運行5個月的時間內還未出現軸頭斷裂的情況。
2、通過對錘頭的形狀及結構進行改進,振動和噪音都有所降低,錘頭壽命延長1倍。

對于給料部分和錘頭面臨的上述問題,紅星機器在研發設計的時候已經考慮在內了,其生產出的錘式破碎機憑借著合理的結構及過硬的質量銷量一直處于名列前茅的地位,如果您有意向,歡迎隨時蒞臨選購,或撥打紅星咨詢熱線:0371-67772626。