石灰是工業行業加工過程中的重要輔助材料,隨著工業生產的加快,對于石灰的產量與質量都提出了更高要求,而石灰窯是石灰生產加工的關鍵設備,需要對石灰石的結構及工藝設計進行優化升級,我們紅星設計制造了成熟的石灰窯及工藝。本文進行詳細介紹。

一、工藝流程
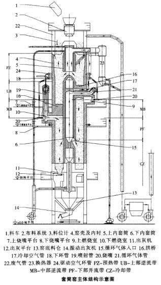
石灰窯的生產工藝環節總的來說包括上料系統、套筒窯煅燒系統和出窯系統三大部分。
1、上料系統
由稱量料斗、上料小車、中問料倉、旋轉布料器、料鐘及料位檢測裝置等組成。套筒窯和窯前料倉都設有雷達料位計.可以連續檢測料位實現自動上料。具體工作流程如圖。

2、出窯系統
石灰出窯體系包含窯下料倉、閘門、出料機、運輸皮帶等,經過套筒窯煅燒成功后的石灰先儲存在窯下料倉,在窯下料倉內設定兩個料位計,并設有高低位,在其底部裝上閘門并連鎖料位計。這樣當窯下料倉內的石灰達到一定的高度時,下部閘就會自動動打開,通過振動出料機的作用,石灰經由傳輸皮帶被送出窯外,最終被運輸到中轉倉。
二、結構設計
具體結構設計如圖。

1、采用新型的配料布料設備
石灰窯采用了新型的配料設備和布料設備,同時為了提高燃料利用率采用熱交換的方法將上面的原料加入窯內,同時和升高的高溫氣體互換形成預熱帶。這樣相互交換的方法大大提高了燃料的利用率。同時采用變頻器使設備節能的運轉。在窯內使用變頻的設備有很多例如:卷揚機、布料器、圓盤出灰機、以及混配皮帶等。這些設備都有效的節約了電能。
(9).jpg)
2、合理設計石灰窯的高徑比
高徑比對于石灰窯來說是一個十分重要的參數。由于受到布風裝置的限制,大部分進入到窯內的空氣總是沿著窯壁上升至頂部,即有十分明顯的窯壁效應。因此窯的直徑應當與高度保持一定的比例而不應當過大或過小。
3、自動化控制系統設計成熟
控制系統包括給料控制、配料控制、計量控制、出料和料位控制、引風控制、煅燒溫度控制、鼓風控制以及糾偏控制。各個子系統采用國內較為成熟的PLC控制,自動化水平高。
(20).jpg)
三、性能優勢
1、 在生產過程中將逆流煅燒和并流煅燒進行有機的結合,能夠使成品保持優良的使用性能。
2、 在工藝設計過程中將燃燒室分為兩層12個燃燒室,并使其在窯體周圍呈現圓周型排列,能夠保證產生的煙氣均勻的在料層斷面上分布。
3、 在整個工藝流程的進行過程中用負壓進行操作,對于窯內的狀況能夠進行有效的調節,能夠顯著的減輕窯體中密封件的負荷,并使工作環境得到有用的改善,使安全操作更加容易。
4、 自動化、規范化和標準化程度較高,使得在操作過程中簡單可行。
(6).jpg)
四、實際應用
以燃料為低位發熱值10450kJ/m3的電石爐尾氣為例,日產量為500t的套筒石灰窯的技術性能參數計算結果見表所示。

由此可見,該石灰窯在生產過程中表現極高的優勢,生產效率高,能夠滿足現代石灰生產廠家的高產量、高質量、低能耗、綠色環保的目標。關于該石灰窯的咨詢電話:0371-67772626。